Форма A:
шайба стопорная зубчатая DIN 6797 A(пружинная), наружные зубцы - аналог ГОСТ 10463-81
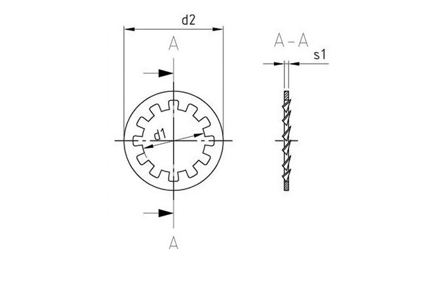
Форма I (форма J – «A2»):
шайба стопорная зубчатая DIN 6797 I (пружинная), внутренние зубцы - аналог ГОСТ 10462-81
Форма V:
шайба стопорная зубчатая DIN 6797 V (пружинная), внутренние зубцы для потайной головки - аналог ГОСТ 10464-81











